采购方式
线上订单
线下订单
爱担保
采购代理
增值服务
产品推广
店铺推广
包年推广
合作供应商
国内代运营
标王
企业工具
订货单内共有 3 种商品 共计 658.00
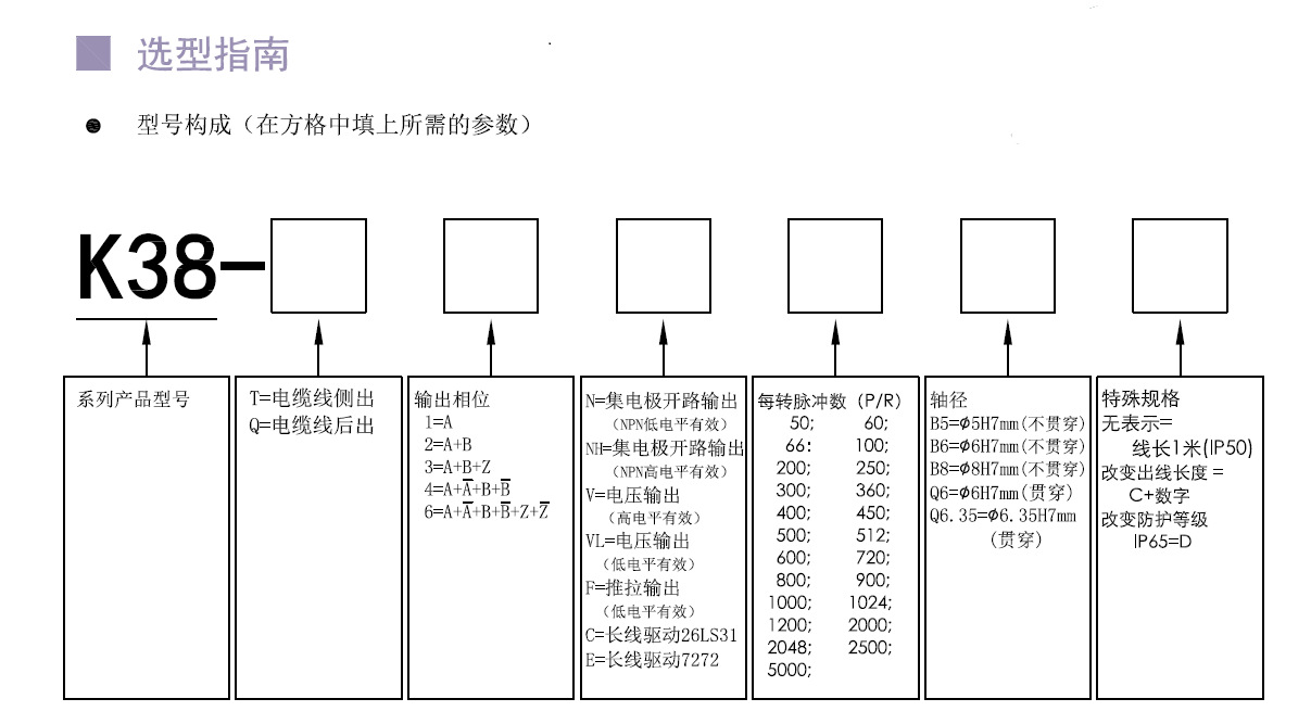
K38系列-增量式、空心轴、光电旋转编码器
特点:通用型,体积小,多种输出方式可选,使用寿命长,低价格等 应用范围:纺织行业、包装机械、小型仪器等工业自动化控制 外形尺寸:外径Φ38mm,厚度为28mm,轴径Φ8mm;Φ6mm;Φ6.35mm;Φ5mm(深度18mm) 分辨率:可达5000P/R 电源电压:DC5V & DC8-30V
出线方式:线侧出(金属出线套)可选择线后出 防护等级:IP50&IP65 线长:1000mm 重量:约120g
¥0.00
¥580.00
面议